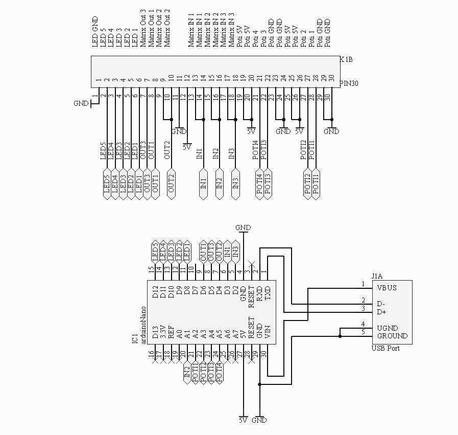
Der M.I.D.I. Kontroller war ein Projekt am Sommeranfang 2017. Mit einem M.I.D.I. Signal werden Musiksignale auf dem Computer gesteuert. Dafür gibt es ein genormtes Protokoll. Die Logik übernimmt bei diesem Projekt ein Arduino Nano, der auch das M.I.D.I. Protokoll sprechen kann.
Das Signal wird über die Serielle Schnittstelle gesendet an einen M.I.D.I auf USB Konverter, da der Kontroller Universell an USB-Geräten einsetzbar sein soll. Mit diesem Kontroller können bis zu 20 Control-Change und 20 Key-On Signale gesendet werden. Dies geschieht über eine Channelauswahl. Eine aktive LED zeigt an, in welchem Channel man sich befindet.
Probleme
In diesem Projekt gab es eigentlich zwei Probleme. Zum einem war die Logik Platine zu groß. Dafür konnte die Platine aber Problemlos etwas in der Länge gekürzt werden. Zum anderen ist im Platinenlayout ein falscher Footprint für den Button, weshalb die Button mit kleinen Drähten neu verdrahtet werden mussten.
Bestellliste
| Beschreibung | Artikelnummer | Anzahl | Stückpreis | Gesamtpreis |
|---|---|---|---|---|
| Hardware | ||||
| Arduino Uno | — — — | 5,49 € | – € | |
| Arduino Nano | — — — | 1 | 3,98 € | 3,98 € |
| USB-MIDI | — — — | 1 | 5,80 € | 5,80 € |
| Bauteile | ||||
| Schiebepoti (10k) | RS60112-LIN10K | 1 | 2,70 € | 2,70 € |
| Schiebepoti Motor (10k) | RS60N11M9-LIN5K | 15,80 € | – € | |
| Drehpoti (10k) | PO4M-LIN 10K | 3 | 1,90 € | 5,70 € |
| Taster | TASTER 1032.1 | 9 | 1,20 € | 10,80 € |
| LED (3mm) | LED 3MM GE | 5 | 0,09 € | 0,45 € |
| Multiplexer | 74HC 4051 | 0,37 € | – € | |
| Schieberegister | SMD 4021 | 0,32 € | – € | |
| Distanzhülsen | DI 5MM | 4 | 0,09 € | 0,36 € |
| Gehäuse | ||||
| Kunststoffgehäuse | TEKO 103 | 1 | 7,70 € | 7,70 € |
| Schiebepoti Kappe | KNOPF 4X1,2SW | 1 | 0,52 € | 0,52 € |
| Drehpoti Kappe | KNOPF 14M-4 SW | 3 | 1,35 € | 4,05 € |
| Drehpoti Abdeckkappe | DECKEL 14M SW | 3 | 0,25 € | 0,75 € |
| Versand | ||||
| Reichelt | — — — | 1 | 5,00 € | 5,00 € |
| Ebay | Arduno Uno | 1,50 € | – € | |
| Gesamtpreis | ||||
| 47,81 € |
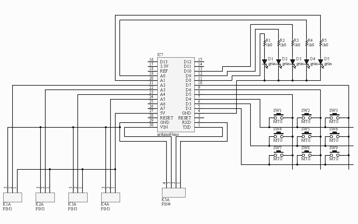
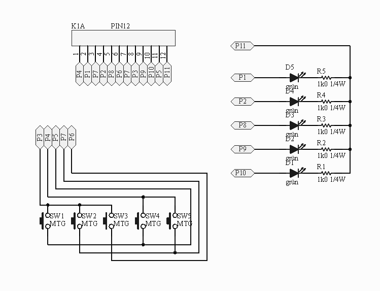
Schaltpläne
Gehäuse
Arduino Sketch
Der Arduino Sketch befindet sich bei mir im Git Repo: https://git.gurkengewuerz.de/Gurkengewuerz/midi-controller






